■後藤弘茂のWeekly海外ニュース■
筐体もスリムになったが、中を開けても美しいのが、先週発売された新Xbox 360 250GBだ。「Valhalla(ヴァルハラ)」のコードネームで知られていたスリムXbox 360では、メインチップを含めた部品点数が減り、マザーボードはすっきりとした構成になった。チップの大幅な低消費電力化によって、廃熱機構がずっと簡略化され、ファンも1個だけとなり静音化も果たされた。
Xbox 360が劇的に変わった原因は、プロセッサが45nmプロセスになったことだ。Microsoftは、CPUとGPUを45nmプロセスへと移行させるのと同時に、両チップを1個に統合した。CPU+GPUのワンチップ化によって、メインチップ個数が減り、マザーボード上での占有面積が小さくなり、消費電力も低減した。構造の簡素化と部品点数の削減は、製造コストの削減に結びつく。Microsoftは、45nm世代で攻撃的な価格戦略でも利幅を取る余地ができた。
しかし、その一方で、今世代のゲームコンソールが抱える困難も見えてきた。まず、プロセスの微細化によるダイコスト自体の削減効果は、前世代のゲームコンソールより低い。例えば、PlayStation 2(PS2)世代と比べると、明らかにチップの小型化のペースは緩い。また、コスト削減の限界点も、おそらく前世代より高くなる。
そのため、Microsoftとソニー・コンピュータエンタテインメント(SCE)の2社は、今世代のゲームコンソールをより長く延命させる必要があると推測される。今世代機をコストダウンするのに時間がかかるため、次世代機を急いでも移行が難しいからだ。そのために、両社とも、今世代機に何らかの付加価値を加えて行かなければならないと見られる。MicrosoftとSCEのどちらも、ユーザーインターフェイスの改革(プラス立体視)に、その打開路を見いだしているようだ。
![]() |
| Xbox 360とCell B.E.とEEのシュリンク(PDF版はこちら) |
●マザーボードレイアウトが大きく異なる新Xbox 360
新スリムXbox 360(Valhalla)を分解して行くと、すぐに気がつくのは、マザーボードのレイアウトが従来のどのXbox 360とも大きく異なることだ。従来のXbox 360マザーボードは、中心に大きなCPUパッケージとGPUパッケージの2チップが配置され、両チップの間を高速インターコネクトが結ぶ構成になっていた。また、GPUパッケージには、GPUとeDRAM(混載DRAM)の2つのダイが載せられており、その回りをGDDR3 DRAMチップやサウスブリッジチップ、ビデオチップが取り囲う構成になっていた。マザーボード世代が変わっても、こうした基本構成は変わらなかった。
それに対して、スリムXbox 360のマザーボードでは大きなチップは1個だけ。DRAMやサウスブリッジチップは、いずれもその1個の大型パッケージに接続されている。そして、パッケージはヒートスプレッダに覆われ、ダイを覆い隠している。マザーボードを比較すると、今回がXbox 360の大きな変化であることがよくわかる。
![]() | ![]() | ![]() |
| 初代Xbox 360の基板 | 新Xbox 360の基板 | 新Xbox 360の「XCGPU」 |
メインチップのヒートスプレッダには「XCGPU」と書かれている。Xbox 360のCPU「XCPU」とGPU「XGPU」をワンチップへと統合化したことを示すネーミングだ。チップの統合化は、今回、Xbox 360の設計時から盛り込まれていた。つまり、Xbox 360は、最初から将来的にチップを統合化することで、半導体チップのコストを下げることを見込んで設計されていた。これは、初代Xbox設計の反省から来ている。
●初代Xboxの失敗からXbox 360では微細化を考慮した設計にMicrosoftは、初代のXboxを設計する時に、CPUはIntelから、GPUはNVIDIAから購入した。CPUは枯れたPentium IIIを安く仕入れ、GPUはNVIDIAの既存NV20を多少拡張したバージョンを購入した。しかし、そのために初代Xboxは、世間のプロセス技術が進歩しても、チップのコストを下げることができず、低価格化で苦労した。チップ購入先のIntelとNVIDIAそれぞれからの調達コストを下げることが難しかったからだ。
そこで、Xbox 360では、Microsoftは自社のニーズに合わせたカスタム設計のCPUとGPUを、Microsoft自身がファウンドリに製造委託することで、プロセス微細化とともにコストを下げられる構造にした。設計を自由にできるなら、ワンチップ化なども可能になる。また、先端プロセスを使うことでチップコストを低減することも容易になる。
![]() |
| J Allard氏 |
このように将来のコストダウンを見込むことで、Xbox 360では最初のチップは大型で高コストなものにできた。Xbox 360の開発を指揮したJ Allard(Jアラード)氏(元Vice President, Design and Development, Entertainment and Devices Division, Microsoft)は、Xbox 360発売前に次のように語っていた。
「Xbox 360はXbox1と比べると、ローンチ時のダイエリアのシリコンコストはかなり高い。その分、パフォーマンスも高いが、コストもかけている。我々の今回のアプローチは、製造と設計をよりコントロールすることで、もっとシリコンにコストをかけられるようにしたことにある。シリコンコストは、(ゲームコンソールの)他のどの要素よりコストを削減しやすい。だから最初はコストが高くてもOKだ。チップの製造と設計をコントロールできるなら、(チップを微細化することで)後でコストを下げられるからだ。
将来的には、DRAMチップの1個当たりのメモリ容量も上げるし(それによってDRAMチップ数を減らす)、プロセス技術も90nmから65nmや45nmに微細化(してチップを小さく)できる。さらに、我々はまた、マザーボード上の複数のチップを統合することもできる。また、(微細化や統合化の結果)消費電力も下がり、冷却や電力供給にかかるコストも下がる。だから、我々は今世代(Xbox 360)では、価格とコストの(下降)カーブが、非常に望ましいものになると確信している」。
2005年にXbox 360を立ち上げる時には、すでにMicrosoftはチップの統合化を計画に織り込んでいた。今回のスリムXbox 360(Valhalla)は、当然の結果と言える。
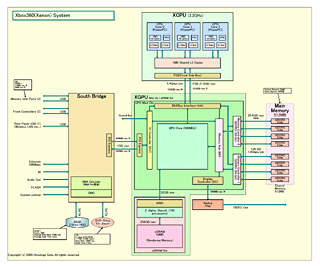
![]() |
| Xenonのシステム(PDF版はこちら) |
●XCGPUのダイサイズは初代のXCPUと同程度
CPUとGPUをワンチップに取りこんだXCGPUの姿は、ヒートスプレッダを引きはがすと、よくわかる。35mm角のパッケージの中には、ヒートスプレッダの下に大小2個のダイが配置されている。大きなダイがCPUとGPUを統合したXCGPU本体で、小さなダイがビデオメモリとROP(Rendering Output Pipeline)を納めたeDRAMチップだ。
![]() | ![]() | ![]() |
| XCGPUのヒートスプレッダをとったところ | ||
XCGPUのダイサイズは約168平方mm程度、eDRAMチップのダイサイズは約45平方mm程度だ。オリジナルのXbox 360(Xenon)では、IBM 90nmプロセスのXCPUが発表数字で168平方mm(XCPUにはダイがやや大きなバージョンもある)、XGPUがTSMC 90nmプロセスで約180平方mm程度だった。45nm化と統合化によって合計のダイサイズは半分以下に減ったことになる。eDRAMはオリジナルXenonではNECの90nmプロセスで、80平方mm弱だった。これも60%以下に減った計算になる。
ちなみに、XCGPUのパッケージにはカナダとプリントされている。XCGPUはIBMの最大のパッケージングFabのあるカナダでパッケージされた可能性が高い。とすると、XCGPUチップ自体の製造もIBMで行なわれている可能性が高い。従来は、IBMとChartered Semiconductor Manufacturingの2社に分散した生産体制を取っていると、2007年のメモリカンファレンス「Memcon」でIBMが説明していた。Charteredは現在はGLOBALFOUNDRIESに吸収されている。
XCPUとXGPUの統合化によって、これまでマザーボード上に配線されていた両プロセッサ間の高速FSB(フロントサイドバス)が不要になった。XCPUのFSBは、当時はメジャーCPUの中で最速で、5.4Gbpsの転送レートだ。1.1Vと振幅の小さなディファレンシャル(差動)信号方式で、上下でデータは32レーンで64本、クロックが4レーンで8本の信号線となる。高速なだけに扱いが難しいと見え、Xbox 360の歴代マザーボードでは、このFSBの配線は実装面積を取っていた。それがなくなったことで、マザーボードの自由度は向上したはずだ。
外部高速FSBをチップ内に取りこむことは省電力化にも寄与する。従来は、FSBとFSBインターフェイスの部分で、それなりに電力を食っていたと見られるからだ。
![]() |
| CPUとGPUの統合化(PDF版はこちら) |
![]() | ![]() |
| Xbox 360 CPUの概要とフロントバス | |
●DRAMチップ個数は初代Xbox 360から半分に減少
XCGPUに接続されている共有メモリは、従来通りGDDR3 512MBだ。チップはSamsung Semiconductorの「K4J10324KE-HC14」が4個配置されている。このチップは、ピン当たり転送レートが1.4Gbps/pin(ベース700MHz)のGDDR3なので、転送レートは初代Xbox 360と変わらない。4Mx32Bitなので、メモリインターフェイスも128-bit幅と変わらない。当然、メモリ帯域も同じだ。つまり、メインメモリ回りのスペックは同等ということになる。
ただし、初代のXbox 360(Xenon)では、GDDR3 DRAMチップは512Mbit品で、8チップで512MBを構成していた。マザーボードの表面に4個、背面に4個の配置だった。それに対して、現在のXbox 360 250GB(Valhalla)では、DRAMチップは1Gbitと容量は倍増している。そのため、DRAMチップ個数は半分の4個になっている。Xbox 360は、当初からDRAMチップ個数を将来半分に削ることを前提に設計されていた節があり、これも計画通りだ。DRAMチップの個数削減は、Xbox 360(Valhalla)の前にすでに行なわれている。
![]() | ![]() |
| 半分に減ったメモリチップ | |
マザーボード上には、Microsoftの刻印のパッケージが他にもある。下の写真がそれで、型番は「X817692-002」だ。このチップは、メインのCPU+GPUとはディファレンシャルの信号線4本で接続されている。PCI Expressで接続されているサウスブリッジチップであることがわかる。この他、マザーボード上にはビデオチップやHynixのNANDフラッシュメモリチップ「HY27US08281A」などが配置されている。
![]() | ![]() | ![]() |
| X817692-002 | CPU+GPUとはPCI Expressで接続される | HynixのNANDフラッシュ「HY27US08281A」 |
マザーボードを見ると、美しくまとまっている新Xbox 360(Valhalla)だが、移行は簡単ではなかった。実際、PLAYSTATION 3(PS3)のCell Broadband Engine(Cell B.E.)の45nm化からは、かなり遅れている。それは、Xbox 360のアーキテクチャに原因がある。皮肉なことに、Xbox 360の優れたグラフィックスパフォーマンスを作り出すアーキテクチャが、微細化の足を引っ張った。次の記事では、その背景をレポートしたい。
![]() |
| Xbox CPUとGPUのシュリンク(PDF版はこちら) |

















