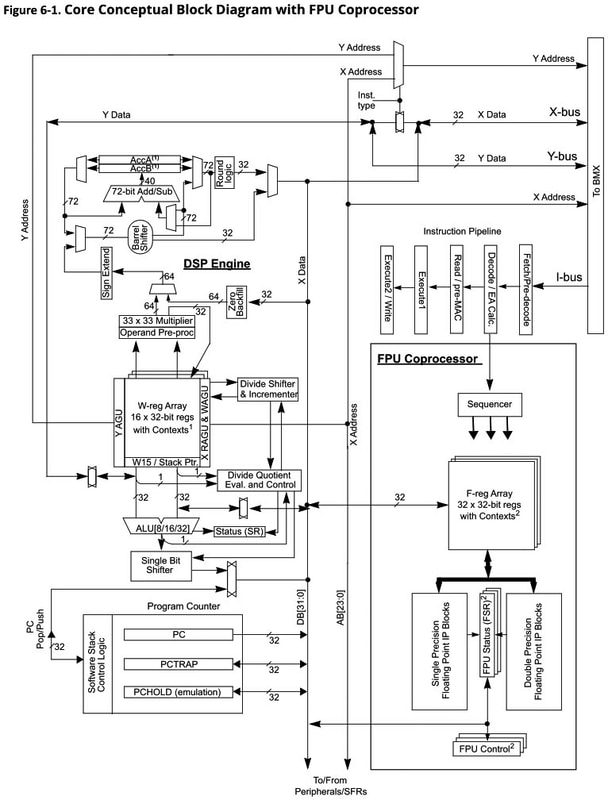
<a href="https://www.microchip.com/en-us/product/PIC32AK1216GC41036PIC32AK1216GC41036">n</a>のデータシートより抜粋。汎用CPUなんだからせめてアドレスバスを32bitにして欲しかった。今後、ビデオ表示機能とかを搭載する際に、外部のフレームバッファの接続とかで困りそうな気がしなくもない

nのデータシートより抜粋。汎用CPUなんだからせめてアドレスバスを32bitにして欲しかった。今後、ビデオ表示機能とかを搭載する際に、外部のフレームバッファの接続とかで困りそうな気がしなくもない