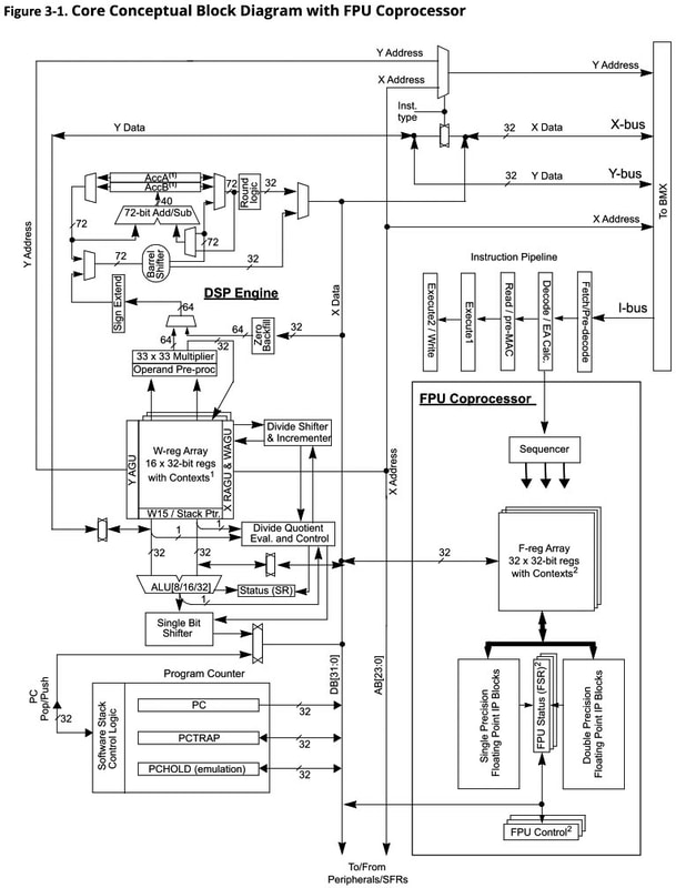
<a href="https://www.microchip.com/en-us/product/dsPIC33AK128MC102dsPIC33AK128MC102">n</a>のデータシートより抜粋。ALUに並んでDSP Engineがあるあたりがちょっと独特。あとZero Overhead Loopを実現するRepeat命令が定義されているあたりは、あまり一般的なCPUコアとは呼びにくい気もする

nのデータシートより抜粋。ALUに並んでDSP Engineがあるあたりがちょっと独特。あとZero Overhead Loopを実現するRepeat命令が定義されているあたりは、あまり一般的なCPUコアとは呼びにくい気もする