前の画像
次の画像
記事へ
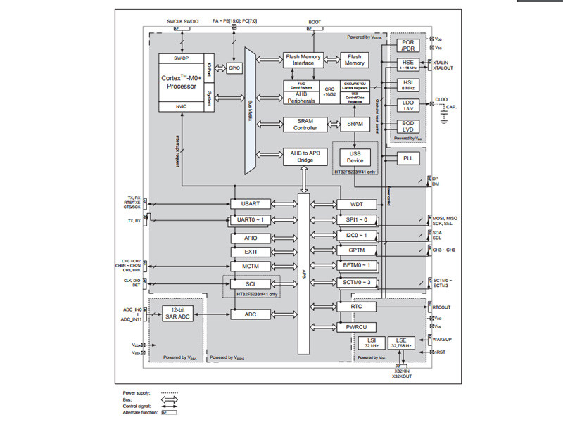
HT32F 52231のブロックダイアグラム。とは言え、Trident Z RGBにHT32Fが使われている保証はない
リンクス、G.Skillと正規代理店契約を締結、メモリ製品を取扱い開始へ
2018年7月27日
G.SKILL、DDR5-8000駆動で24GB×2のメモリモジュールキット
2023年3月13日