前の画像
次の画像
記事へ
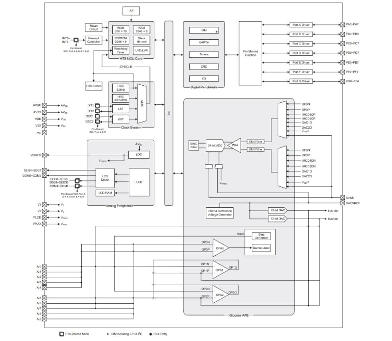
BH67F2476のブロックダイアグラム
連載1カ月集中講座by大原 雄介
IoTの波に乗るマイコン事情 第4回
2015年1月29日
IoTの波に乗るマイコン事情 第1回
2015年1月8日
IoTの波に乗るマイコン事情 第2回
2015年1月15日
IoTの波に乗るマイコン事情 第3回
2015年1月22日
大原雄介の半導体業界こぼれ話
ローエンドMPUを追い立てるハイエンドMCU
2023年3月24日